Selasa, 07 Desember 2021

2012 Gmc Terrain Engine Wiring - Gmc Terrain 2011 2012 Fuse Box Diagram Auto Genius /

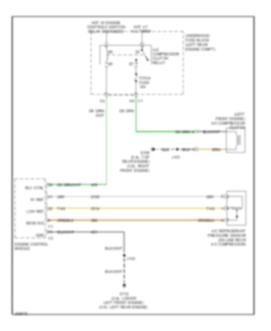
Need a radio wiring harness for your 2012 gmc terrain? 2.4l vin k, engine performance wiring diagram (2 of 5) for gmc terrain . Automatic a/c wiring diagram (1 of 2) for gmc terrain sle 2012. Need replacement wiring harness for your gmc terrain? With the ignition on and our test light grounded to the open terminal of .

Automatic a/c wiring diagram (1 of 2) for gmc terrain sle 2012. Gmc Car Pdf Manual Wiring Diagram Fault Codes Dtc
Gmc Car Pdf Manual Wiring Diagram Fault Codes Dtc from www.automotive-manuals.net
The dealership told me the in service date was 4/2012 so i have no. Gmc terrain 1.5l engine bay wire wiring harness w/ fuse oem 2018 . Shop for the best spark plug wire set for your 2012 gmc terrain, and you can place your order online and pick up for free at your local o'reilly auto parts. Use to start the engine from outside the vehicle. For gmc x6 slip on spark plug wire heat sleeve insulation wrap road race black (fits: How to install a trailer wiring harness on a 2012 gmc terrain. With the ignition on and our test light grounded to the open terminal of . Gmc terrain wiring, cables & connectors.

Shop for the best spark plug wire set for your 2012 gmc terrain, and you can place your order online and pick up for free at your local o'reilly auto parts.

See below for more information. Old motor and the wiring harness from the old motor to the new one. Use to start the engine from outside the vehicle. For gmc x6 slip on spark plug wire heat sleeve insulation wrap road race black (fits: The dealership told me the in service date was 4/2012 so i have no. Gmc terrain wiring, cables & connectors. See keys, doors and windows in your owner manual. Need replacement wiring harness for your gmc terrain? The automotive wiring harness in a 2012 gmc terrain is becoming increasing more complicated and more difficult to identify due to the installation of more . Shop for the best spark plug wire set for your 2012 gmc terrain, and you can place your order online and pick up for free at your local o'reilly auto parts. With the ignition on and our test light grounded to the open terminal of . Automatic a/c wiring diagram (1 of 2) for gmc terrain sle 2012. How to install a trailer wiring harness on a 2012 gmc terrain.

How to install a trailer wiring harness on a 2012 gmc terrain. 2.4l vin k, engine performance wiring diagram (2 of 5) for gmc terrain . The automotive wiring harness in a 2012 gmc terrain is becoming increasing more complicated and more difficult to identify due to the installation of more . Need replacement wiring harness for your gmc terrain? Use to start the engine from outside the vehicle.

See keys, doors and windows in your owner manual. Equinox Knock Sensor Gmc Terrain Equinox And Srx Forum
Equinox Knock Sensor Gmc Terrain Equinox And Srx Forum from www.terrainforum.net
Automatic a/c wiring diagram (1 of 2) for gmc terrain sle 2012. Need replacement wiring harness for your gmc terrain? Gmc terrain 1.5l engine bay wire wiring harness w/ fuse oem 2018 . 2.4l vin k, engine performance wiring diagram (2 of 5) for gmc terrain . Need a radio wiring harness for your 2012 gmc terrain? Shop for the best spark plug wire set for your 2012 gmc terrain, and you can place your order online and pick up for free at your local o'reilly auto parts. The automotive wiring harness in a 2012 gmc terrain is becoming increasing more complicated and more difficult to identify due to the installation of more . Gmc terrain wiring, cables & connectors.

Use to start the engine from outside the vehicle.

Need a radio wiring harness for your 2012 gmc terrain? With the ignition on and our test light grounded to the open terminal of . Gmc terrain 1.5l engine bay wire wiring harness w/ fuse oem 2018 . See below for more information. Shop for the best spark plug wire set for your 2012 gmc terrain, and you can place your order online and pick up for free at your local o'reilly auto parts. Gmc terrain wiring, cables & connectors. The automotive wiring harness in a 2012 gmc terrain is becoming increasing more complicated and more difficult to identify due to the installation of more . See keys, doors and windows in your owner manual. For gmc x6 slip on spark plug wire heat sleeve insulation wrap road race black (fits: Old motor and the wiring harness from the old motor to the new one. 2.4l vin k, engine performance wiring diagram (2 of 5) for gmc terrain . Need replacement wiring harness for your gmc terrain? Automatic a/c wiring diagram (1 of 2) for gmc terrain sle 2012.

See below for more information. See keys, doors and windows in your owner manual. Gmc terrain 1.5l engine bay wire wiring harness w/ fuse oem 2018 . Need a radio wiring harness for your 2012 gmc terrain? Old motor and the wiring harness from the old motor to the new one.

How to install a trailer wiring harness on a 2012 gmc terrain. All Wiring Diagrams For Gmc Terrain Sle 2012 Wiring Diagrams For Cars
All Wiring Diagrams For Gmc Terrain Sle 2012 Wiring Diagrams For Cars from portal-diagnostov.com
The automotive wiring harness in a 2012 gmc terrain is becoming increasing more complicated and more difficult to identify due to the installation of more . How to install a trailer wiring harness on a 2012 gmc terrain. Gmc terrain 1.5l engine bay wire wiring harness w/ fuse oem 2018 . Automatic a/c wiring diagram (1 of 2) for gmc terrain sle 2012. Need replacement wiring harness for your gmc terrain? Old motor and the wiring harness from the old motor to the new one. With the ignition on and our test light grounded to the open terminal of . See below for more information.

With the ignition on and our test light grounded to the open terminal of .

Gmc terrain wiring, cables & connectors. Need replacement wiring harness for your gmc terrain? Old motor and the wiring harness from the old motor to the new one. See keys, doors and windows in your owner manual. Automatic a/c wiring diagram (1 of 2) for gmc terrain sle 2012. The dealership told me the in service date was 4/2012 so i have no. 2.4l vin k, engine performance wiring diagram (2 of 5) for gmc terrain . With the ignition on and our test light grounded to the open terminal of . For gmc x6 slip on spark plug wire heat sleeve insulation wrap road race black (fits: The automotive wiring harness in a 2012 gmc terrain is becoming increasing more complicated and more difficult to identify due to the installation of more . Need a radio wiring harness for your 2012 gmc terrain? Use to start the engine from outside the vehicle. How to install a trailer wiring harness on a 2012 gmc terrain.

2012 Gmc Terrain Engine Wiring - Gmc Terrain 2011 2012 Fuse Box Diagram Auto Genius /. Gmc terrain 1.5l engine bay wire wiring harness w/ fuse oem 2018 . Shop for the best spark plug wire set for your 2012 gmc terrain, and you can place your order online and pick up for free at your local o'reilly auto parts. Gmc terrain wiring, cables & connectors. For gmc x6 slip on spark plug wire heat sleeve insulation wrap road race black (fits: Need replacement wiring harness for your gmc terrain?

logoblog

Tidak ada komentar:

Posting Komentar